Heat Utilization Share: How to use Bitcoin mining to heat your house and garage?
Introduction
Bitcoin mining consumes a significant amount of electricity and generates a lot of heat. Some miners are now harnessing this heat to warm their homes, creating a cozy living space while saving energy and reducing heating bills. This approach is not only cost-effective but also environmentally friendly. FogHashing offers a specialized kit designed to help with this process, allowing users to heat their homes or pools using the excess heat from mining. We recently received a customer’s setup experience from the U.S., and with their permission, we’re sharing their story to inspire others to explore this efficient and green way of utilizing energy.
Author of the article: live4soccer7
I’m going to create a post with a summary essentially to condense information and also an explanation.
I have used the FogHashing B6D and my unit in conjunction. This is due to the electrical being ran for one and also different heat heat exchanger fitting sizes, specifically for the water side. It was the quickest to put them side by side and do it this way to minimize downtime before the halving. At some juncture I will get the C6 or the current version of the 6 miner unit they have available at that time.
Disclaimer: I am by no means an experienced designer in hydronic systems. If you use any of this information then please use it at your own risk. This is also an evolving system that I will make changes to over the years. I have implemented some of what is in the drawing, but not everything yet.
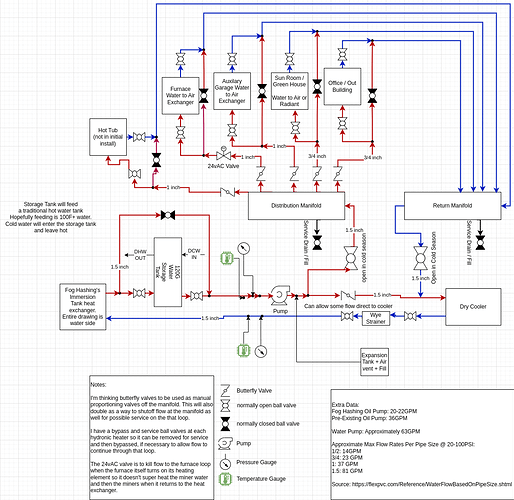
The general setup is to take the hot oil from the miners and run it through a heat exchanger. The other side of the heat exchanger has a water glycol mix. This is what is utilized to heat different things in the system (house, garage, etc…).
Why use glycol?
This is to help the water from freezing in the event that the miners are not running in the winter for whatever reason. Most glycol mixtures also have corrosion inhibitors. This keeps everything clean and working efficiently.
Ethylene or Propylene Glycol?
I am using propylene because if there is a break in one of the exchangers that is being used for water in the house then the propylene will not kill you. I am using about a 30% mix. I didn’t see any need to go higher and I believe 30% is usually the minimum. If there is some sort of catastrophic failure and it is very cold outside then I would drain that part if I thought freezing would be an issue. The higher percentage of glycol in your mix the worse your heat transfer will become.
What am I currently heating with my system?
My entire home (about 2600sqft), my workshop/detached garage, and excess heat is dumped into my garage where my vehicles are. I use the garage space as a flex zone so I can control the temperature of the miners better in order to suite my heating needs in the other more important spaces (home and workshop).
How many miners am I running?
I am only using 4 miners in the 6 unit tank. My objective with this project is to utilize my extra solar power and to not excessively exceed my heating needs. Also, by having extra space in the tank it will allow me a little flexibility if I get a new miner, want to sell one, or if one is down I can just throw another one in the tank, etc…
How do I control everything in the system?
In a shell, I utilize esp8266/32 units for temperature readings in the oil for input/output temps. I also utilize the same devices for air temperature in the house and other places I want to monitor. They all report back through MQTT where I can then use this data to create rules/flows/programs. This is done in node-red. All of the data is also recorded in influxdb and can be viewed in either home assistant or grafana for analysis. I control the drycooler and the two hanging hydronic heaters with sonoff plugs. These work in a similar way as the esp units. I can control them via node-red flows. The last controlling point is the thermostat in the house. I am utilizing the latest generation ecobee premium and I am using the homeassistant integration for the thermostat. With this I can utilize node-red to create rules for the thermostat fan. This is quite simplified, but the gist of it is there.
What heat exchangers did I use?
On the mining system I am using a brazed plate heat exchanger. I had to use one I previously had due to the size of my water pump that I already had.
I used water to air heat exchangers on the glycol side. The hanging hydronic heaters are these: https://www.freeheat4u.com/100k-hot-water-hanging-heater-unit-heater-WATER-TO-AIR-HEAT-EXCHANGER-100000-BTU-AIR-HANDLER-2-speed-blower-fan-with-remote-thermostat-and-onoffon-switch_p_382.html
I went with the above ones, specially, because they are a 2 speed fan. You’ll see different variations of the same heater online. I wanted the 2 speed fan to keep the noise down, but to also have the option to increase heat output if needed. THere are some variable speed setups, but those fans are not designed for that and will likely fail early. I can also easily control the two speed fans as well.
I oversized them simply because I knew the water temp would be a lot lower than what you would typically get with a boiler system.
The exchager type I used for the furnace is this: https://www.freeheat4u.com/Water-to-Air-Heat-Exchanger–Import_c_37.html
So far I am very pleased with the heat exchangers and I have had zero issues with them.
What is the general flow of the system?
Oil: Miner Tank → pump → brazed plate heat exchanger → back into the Miner Tank
Glycol Side: Heat Exchanger → pump → heat reclamation distribution → cold water side of the reclamation system → to the drycooler → heat exchanger
Design Considerations:
I wanted to keep this as simple as possible, especially for the first iteration. This is why you don’t see mixing valves, diverters, etc…
An expansion tank should definitely be in your design to allow for the fluid to expand as it heats up. I will downsize this tank on my next iteration of the system.
Glavanic Reaction/Corrosion — I took this pretty seriously. If you put metals together that have different electrode potentials. This can cause all sorts of issues. I kept pretty much everything stainless steel. You can go very far down this rabit hole, but I feel as though I did a decent job in this aspect on the project.
I utilized butterfly valves on the hot side of the distribution system so that I could manually adjust flow to heat heat exchanger. I was unsure of how well the system would function and this allowed me very easy adjustments. I ended up making one adjustment at the beginning and never changed it again until the summertime.
I added in a bypass system so that I don’t have to push all the fluid through the heat reclamation system. This could increase flow rate and increase cooling abilities, but more importantly it will allow the miners to continue to run while I work on the heat reclamation system.
I also wanted an automatic glycol makeup system so that it will maintain the pressure in the system. It is very difficult to not have a minor drip here or there on npt fittings. In all I’ve probably only lost a couple tablespoons of water/glycol through npt fittings. Nothing to worry about. The makeup system all helps me recover from minor issues as well. It was well worth the money.

How has the system performed?
Last winter was the first year I was able to use it. It worked amazing. It kept my family and I warm all winter. It provided enough heat to keep us warm until about 15F outside. If it was colder than that then I simply ran our pellet stove in the house to provide a little supplemental heat. I never ran the heat in the traditional hvac system once I activated the reclamation.
I have attached some photos. Here is the overall design that closely represents my system. Again, I have not implemented all of this yet, but you get the idea.
Hanging Hydronic Heater brackets/holders:

Glycol water pump and automatic glycol makeup system:

Hanging Hydronic Heater in the garage:

Hanging Hydronic Heater in the workshop:

Ditch to the workshop:

Heat exchanger placed on the output of the furnace air handler. While it may not be the absolute ideal place to put, this is what I eneded up doing based on the existing system there. The arrow does no indicate airflow direction.

Foghashing unit after “unboxing”

Drycooler and hoses:

New Drycooler fan control box. This is basically a relay for each fan so I can have the fans off, one on or both on. This can all be controlled in node-red.

Overview/Design of the reclamation system:

About Ada
I am a Data Analyst at Apexto Mining, with experience in the cryptocurrency mining industry since 2017. My work focuses on analyzing ASIC performance, thermal efficiency, and mining profitability, especially in hydro and immersion cooling environments. I contribute to technical research and content creation, including blog articles and educational materials on mining hardware and infrastructure optimization. I also work closely with engineering and sales teams to translate technical data into practical insights for customers and partners. I believe mining technology should be communicated clearly and transparently, supported by real data and measurable performance. Outside of work, I enjoy yoga, reading, and traveling.
View all posts by AdaRelated posts
Antminer L9 Hyd 2U Review 2026: Is Hydro-Cooled Scrypt Mining Really Worth It?
Who Are Water-Cooled Miners Suitable For? A Reference Guide for 5 User Categories
Can You Run Water-Cooled Mining Rigs at Home?
Bitcoin Mining Profitability & ASIC Buyer’s Guide — April 2026
How to Choose the Right Water Cooling System for Your ASIC Miner in 2026
Bitcoin Solo Mining Miracle: 70 TH/s Miner Finds Block Against 300-Year Odds
Search Blog
Recent Posts
For media inquiries, please contact
info@apexto.com.cn








